Глава 16
Командой Truesports руководил Стив Хорн, высокий новозеландец, которому нравилось, когда все ходили по струнке. В принципе, в этом нет ничего плохого, но он был крайне авторитарен. Например, после квалификации в Индианаполисе вместо продолжения тестов на неделе перед гонкой – как все обычно и делают, он решил на три дня отправить их обратно на базу в Колумбусе, чтобы работать с ними там. Спорное решение, но еще хуже было то, что мы с Бобби узнали об этом, только когда приехали в понедельник утром на трассу и увидели отъезжающий трейлер!
В то же время Робин Херд договорился о моем переходе в Kraco, еще одному клиенту March. Мне обещали намного большие бюджеты и прибавку к зарплате, а в качестве пилота – Майкла Андретти, талантливого сына Марио. Я должен был уйти туда к сезону 1986 года, оставаясь при этом главным конструктором проекта March в IndyCar. Кроме того, если Truesports базировалась в Колумбусе, штат Огайо, – не самом захватывающем месте, то Kraco находилась в Лос-Анджелесе, что звучало намного привлекательнее.
И вот, после двух лет работы гоночным инженером в Truesports и прекрасных отношений с Бобби, я решил попрощаться и уйти в Kraco.
Я по-прежнему совмещал две должности, но с июля начал регулярно летать в Великобританию между гонками, чтобы начать работу над 86C.
Зная, что я буду отвечать за дизайн автомобиля 1986 года, у меня была возможность тщательнее спланировать график исследований и работы в аэродинамической трубе, чем это было в случае бешеного графика 1985 года. Новое шасси было немного более узким и элегантным, однако самые большие перемены были скрыты в задней части машины. В IndyCar двигатели оснащались турбокомпрессорами, и они были довольно большими. У меня возникла идея повернуть турбину на 90 градусов: теперь она была размещена не поперек автомобиля, а вдоль него. В то же время мы направили выхлопные трубы вперед и за счет этого смогли разделить выхлопные газы на два потока и через изгибающиеся на 180° трубы направить их на заднюю часть диффузора.
Мы начали развивать эту идею в аэродинамической трубе, используя сжатый воздух, и результаты получились многообещающими. Затем я полностью переделал заднюю подвеску, чтобы разместить все компоненты, а это было нелегко, поскольку продольный турбокомпрессор, выхлопные трубы и воздухоотводы стремились занять и одно и то же место – в районе амортизаторов.
Мы перенесли задние амортизаторы, чтобы они были расположены в продольном направлении рядом с коробкой передач и над выходом выхлопной системы. Чтобы помешать инженерам направлять выхлопные газы на диффузор – распространенная практика для Формулы-1 1984 года – в IndyCar технический регламент запрещал создавать отверстия в заднем диффузоре. Однако элементам амортизатора был необходим тепловой щит, который не позволял бы им сгореть под раскаленными выхлопными газами. И я разместил элементы, которые выполняли роль этого щита, так, чтобы они стали своего рода продолжением выхлопной трубы и с помощью «Эффекта Коанда» генерировали прижимную силу. Это было запрещено, если рассматривать эти элементы как часть диффузора, и вполне легально, если считать основной целью защиту механических частей от разрушения. Это расположение создало большую площать низкого давления в задней части главного диффузора, через которую теперь проходило намного больше воздуха. Аэродинамическая труба показывала, что новая модель – мощный шаг вперед.

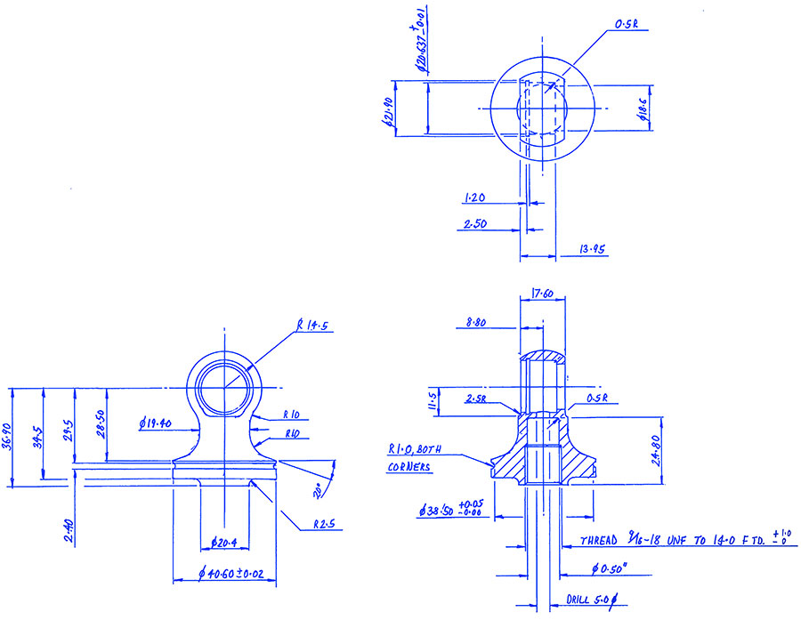
Рис. 6a. Технический чертеж задней части амортизатора на March 86C
Идеи по поводу выхлопной системы и задней подвески пришли мне в голову над Атлантикой. В самолете мне приходили и другие идеи, но я очень хорошо помню, как чертил в полете дугу безопасности.
Новая дуга была сделана из алюминия вместо традиционной стали, с небольшой титановой вставкой на вершине. Алюминий делал ее легче и эффективнее с точки зрения аэродинамики. Это не нарушало правил, и я считал, что элемент остается достаточно безопасным. Проблема со стальной дугой безопасности в том, что она состоит из четырех труб и нужно распределить нагрузку так, чтобы трубы не повредили само шасси. Это непросто, и было много случаев, когда сама дуга выдерживала аварию, но ее основание пробивало шасси и делало дугу фактически бесполезной.

Рис. 6б. Эскиз схемы раздельного выхлопа и продольного турбонагнетателя на March 86C
Но моя идея оказалась весьма противоречивой. Я не учел, что в случае переворота на гравии или траве моя заостренная структура может вспахать борозду и, следовательно, не будет защищать пилота так хорошо, как более округлая дуга безопасности. Но мы выступали с таким вариантом, и, к счастью, подобной аварии не случилось.
Это подводит меня к важному философскому вопросу, которым мы все мучились в те дни.
Более 800 000 книг и аудиокниг! 📚
Получи 2 месяца Литрес Подписки в подарок и наслаждайся неограниченным чтением
ПОЛУЧИТЬ ПОДАРОК